E-Mail:order@ytgaohong.com Tel:+86-535-3410889

Brake Supply Valve

Classification: Oil Source Valve & Solenoid Valve
Details

Specification

Max Operating Pressure140bar
Rated Flow24.2L/min
Filter Fineness10μ
Oil CleanlinessNAS 9


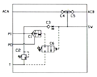
Hydraulic Circuit

4-1.png

Dimensions

4-2.png

Online Message

Your Name
Telphone
Message